Описание
Характеристики
Отзывы
Описание
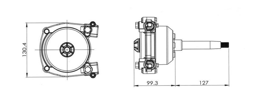
Рулевой редуктор модели ZTS с механизмом блокирования обратной связи рулевого троса. Полностью устраняет передачу реактивных моментов от двигателя на рулевое колесо. Значительно облегчает управление судном и делает этот процесс более безопасным. Центральное расположение вала обеспечивает редуктору компактные размеры. Посадка рулевого колеса стандартная конусная и совместима со всеми представленными в нашей компании рулевыми колесами. В конструкции использован планетарный механизм. По техническим характеристикам аналогичен редукторам от Teleflex. Полная перекладка руля осуществляется за 3,8 оборота. Максимальный диаметр рулевого колеса 406 мм. Соответствует требованиям ABYC, NMMA, IMCI. Установочный комплект 90 градусов входит в комплект поставки. Рекомендуется применять с рулевыми тросами компании Pretech типа 5090ХХ, 5020ХХ или тросами типа М66, Т02 и их аналогами. Поставляется в комплекте с тросом.
Характеристики
Бренд
Pretech
Производитель
Pretech
Упаковка
530х630х160
Страна
Корея
Для моторов до
150
Кол-во оборотов
3.8
Длина троса
3.96
Материал сердечника
стальной
Длина тросa
13
Диаметр рулевого колеса
до 406
Кол-во в зав.упаковке
1
Все характеристики
Отзывы
Отзывов еще никто не оставлял
Ранее просмотренные
Новости
Для защиты деталей лодочного двигателя, подвергающихся трению, необходимо регулярно менять в моторе масло. Часто владельцы лодок обращаются для этого в...
31.07.2017
Любителям рыбалки и охоты бывает сложно добраться до перспективных мест. Хорошим помощником становится лодка с хорошим и надежным мотором. Однако...
30.07.2017
Сборка ПЛМ производится на специальном конвейере, поэтому точное совпадение внутреннего диаметра цилиндра с внешним диаметром поршней, а также подшипников коленвала...
29.07.2017
Материал - это одна из главных характеристик, на которые нужно обращать внимание, выбирая лодку для рыбалки. Именно от него зависят...
28.07.2017
Некоторые судовладельцы ради увеличения скорости судна устанавливают второй мотор. Но имеет ли это смысл? Эксперименты любителей и специалистов доказывают, что...
27.07.2017
Для любого владельца надувной лодки из ПВХ рано или поздно наступает момент, когда он задумывается о необходимости приобрести тент. Но...
26.07.2017
В статье о выходе на глиссирование мы упомянули, что во многом успех выхода в этот режим зависит от формы днища...
25.07.2017
Приятные ощущения от езды требуют резвого мотора. Желание выжать из двигателя максимум появляется у каждого закоренелого судовладельца или новичка, неудовлетворенного...
02.06.2017
У любителей рыбалки и водного отдыха сейчас имеется достаточно большой выбор всевозможных правсредств. Среди них особо выделяются лодки РИБ (RIB)....
01.06.2017
Якорь – это необходимый атрибут в комплектации рыбацкой лодки. Его отсутствие или замена различными вариантами (камнем, кирпичом, фрагментом тракторной гусеницы)...
31.05.2017
Лодки из ПВХ необычайно прочны, это доказано практикой. Но ничто не вечно. При активном использовании возможно появление мелких повреждений на...
30.05.2017
ГИМС МЧС РФ уже более десяти лет требует от всех владельцев маломерных судов, используемых в некоммерческих целях, регистрирования с обязательным...
29.05.2017
Отзывы
Отзывов еще никто не оставлял
